Добрый день!
Хочу оборудовать квартиру системой аэреко. Подскажите, пожалуйста, что куда надо поставить для обеспечения нормальной вентиляции помещений.
О квартире - 2-х комнатная квартира 4 эт. 17эт. дома серии П-44. В квартире будут установлены стеклопакеты, лоджию планирую остеклить алюминием.
На кухне плиту планирую подключать к вытяжке- как быть в этом случае? Либо подключить в режиме рециркуляции (в другой квартире такой режим неэффективен).
По притоку более-менее понятно - ставить в обе комнаты EHA2.
Что делать с вытяжной частью?
Как обеспечить приток воздуха с лоджии? (постоянно держать открытой окна не вижу смысла)
Какой зазор внизу межкомнатных дверей необходимо предусмотреть для нормальной работы системы?
Подскажите, что куда поставить.
Спасибо!
Установка аэреко в 2-х комнатной квартире.
Установка аэреко в 2-х комнатной квартире.
- Вложения
-
- 2p442.gif (9.59 КБ) 27501 просмотр
-
- Сообщения: 135
- Зарегистрирован: 19 июн 2009, 17:12
- Откуда: Москва
- Контактная информация:
Re: Установка аэреко в 2-х комнатной квартире.
Доброго времени суток!
С организацией притока Вы уже почти разобрались
Приточные устройства(оконные или стеновые) - в жилые комнаты.
Если балкон остеклен алюминием типа раздвижной "аля проведаль", то, в принципе, достаточно установить приток через конструкции большой комнаты.
В закрытом состоянии зазор между низом дверного полотна межкомнатных дверей и полом должен быть не менее 15мм.
(точно считает наш инженер).
Цитирую:
"3.3. Переток
Для беспрепятственного движения воздуха в помещениях (от жилых комнат к подсобным помещениям) необходимо обеспечить переток воздуха с помощью:
- переточных решеток (установленных в межкомнатных дверях или стенах), или
- подреза дверного полотна межкомнатных дверей (щель между полом и нижней частью дверного полотна).
Характеристики переточных решеток или размер щели между полом и дверным полотном в отношении расхода воздуха должны отвечать расчетным данным с учетом потерь максимального напора в сети."
Примечание:
Входная дверь (дверь на лестничную площадку) должна быть плотной и герметичной для предотвращения проникновения «грязного» воздуха (сторонних запахов) с лестничной площадки.
Далее.о
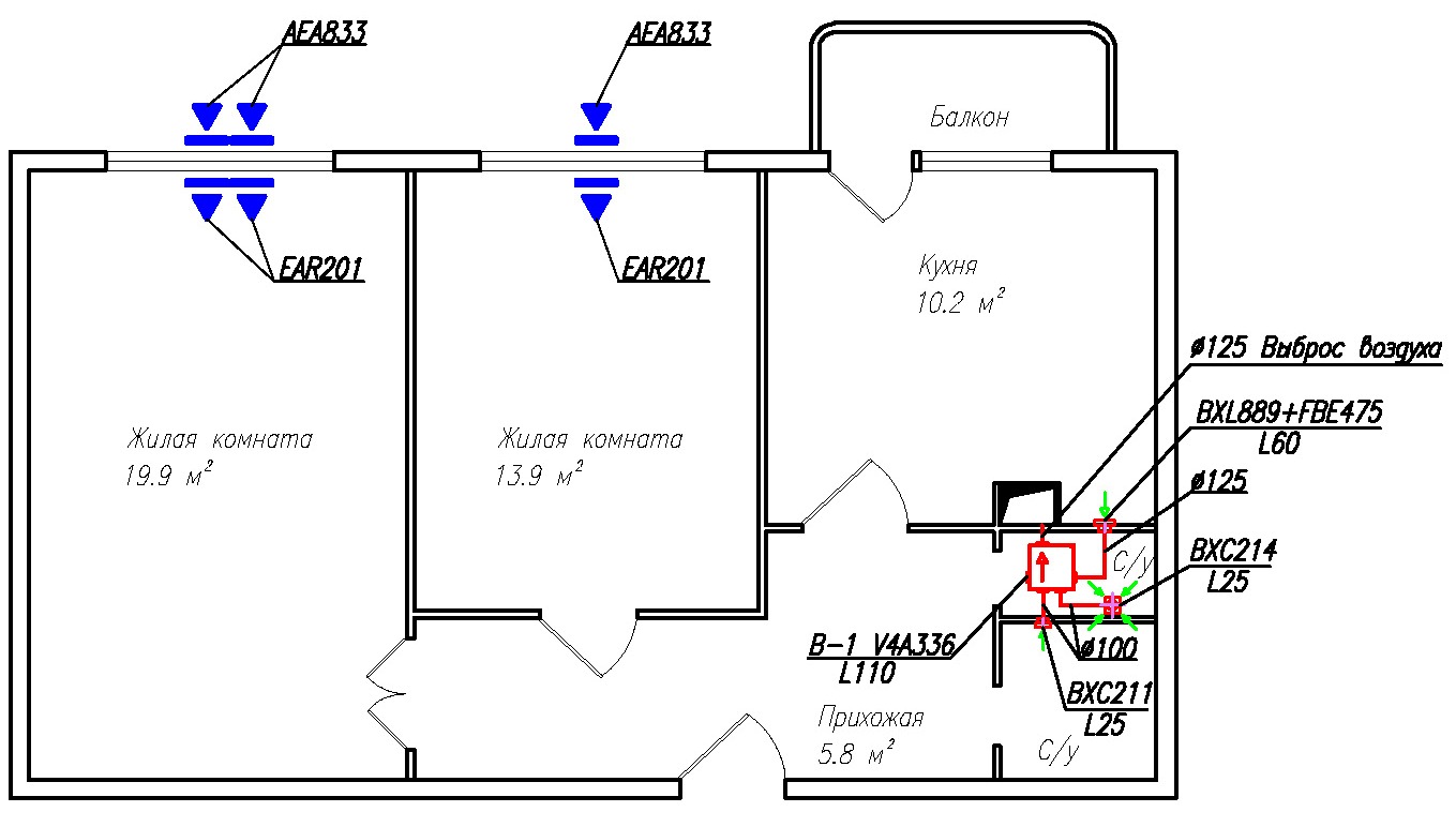
Центральный вентилятор (исходя из параметров Вашей квартиры) , скорей всего мод.V4A336 или мод.VAM767, обычно располагают в подсобных помещениях(ванная, туалет или кухня, скорей всего кроме кухни, поскольку у Вас там предполагается кухонная вытяжка (надплитный зонт).
Обычно вентилятор прячут за подшивным ГКЛ или подвесным потолком, примерно так: Выбор моделей вытяжных устройств зависит в основном от расчета и Ваших пожеланий(только гигрорегулируемые или совмещенные с датчиком присутствия).
Примерно, схема размещения оборудования выглядит так:
Будут еще вопросы спрашивайте.
С организацией притока Вы уже почти разобрались

Приточные устройства(оконные или стеновые) - в жилые комнаты.
Если балкон остеклен алюминием типа раздвижной "аля проведаль", то, в принципе, достаточно установить приток через конструкции большой комнаты.
В закрытом состоянии зазор между низом дверного полотна межкомнатных дверей и полом должен быть не менее 15мм.
(точно считает наш инженер).
Цитирую:
"3.3. Переток
Для беспрепятственного движения воздуха в помещениях (от жилых комнат к подсобным помещениям) необходимо обеспечить переток воздуха с помощью:
- переточных решеток (установленных в межкомнатных дверях или стенах), или
- подреза дверного полотна межкомнатных дверей (щель между полом и нижней частью дверного полотна).
Характеристики переточных решеток или размер щели между полом и дверным полотном в отношении расхода воздуха должны отвечать расчетным данным с учетом потерь максимального напора в сети."
Примечание:
Входная дверь (дверь на лестничную площадку) должна быть плотной и герметичной для предотвращения проникновения «грязного» воздуха (сторонних запахов) с лестничной площадки.
Далее.о
Центральный вентилятор (исходя из параметров Вашей квартиры) , скорей всего мод.V4A336 или мод.VAM767, обычно располагают в подсобных помещениях(ванная, туалет или кухня, скорей всего кроме кухни, поскольку у Вас там предполагается кухонная вытяжка (надплитный зонт).
Обычно вентилятор прячут за подшивным ГКЛ или подвесным потолком, примерно так: Выбор моделей вытяжных устройств зависит в основном от расчета и Ваших пожеланий(только гигрорегулируемые или совмещенные с датчиком присутствия).
Примерно, схема размещения оборудования выглядит так:
Будут еще вопросы спрашивайте.
общаться через
skype slava_aereco
ICQ 601800163
skype slava_aereco
ICQ 601800163
Re: Установка аэреко в 2-х комнатной квартире.
Спасибо за ответ!
Нескольо дополнительных вопросов:
1. Для чего необходим центральный вентилятор? Разве установка вытяжных вентиляторов BXC на кухне, в ванной и туалете не обеспечивает нормальную вытяжку?
2. Да, балкон планируется типа Проведаль. Правильно я понял, что через щели, которые будут в остекленной лоджии свежий воздух будет нормально поступать без доп. отверстий? (планирую остеклить и обшить ПВХ панелями, но без утепления и тд).
3. Как быть с кухней, если хочется и надплитный зонт вывести в вытяжку, и вентилятор BXC поставить, чтобы вытягивал воздух не только с зонта. Может какой-то клапан поставить или например вывести зонт сразу в вент.шахту (если так возможно)?
4. Теперь риторический вопрос
. Практически все оконные фирмы, в которые я обращался НЕ рекомендуют ставить какие-либо приточные решения в окнах. Предубеждение не только против вашей компании
. Мотивируют тем, что нарушается конструкция окна, ослабляется профиль, теряются звукоизоляция и тд. На мой закономерный вопрос о том, где брать свежий воздух предлагают почаще открывать окна или ставить в режим зимнего проветривания.
Вопрос - может быть лучше поставить тогда стеновое решение? Возможна ли дальнейшая самостоятельная установка (профиль окон будет скорее всего REHAU Sib)? У вас есть дилеры, которые занимаются такой установкой?
Спасибо!
Нескольо дополнительных вопросов:
1. Для чего необходим центральный вентилятор? Разве установка вытяжных вентиляторов BXC на кухне, в ванной и туалете не обеспечивает нормальную вытяжку?
2. Да, балкон планируется типа Проведаль. Правильно я понял, что через щели, которые будут в остекленной лоджии свежий воздух будет нормально поступать без доп. отверстий? (планирую остеклить и обшить ПВХ панелями, но без утепления и тд).
3. Как быть с кухней, если хочется и надплитный зонт вывести в вытяжку, и вентилятор BXC поставить, чтобы вытягивал воздух не только с зонта. Может какой-то клапан поставить или например вывести зонт сразу в вент.шахту (если так возможно)?
4. Теперь риторический вопрос


Вопрос - может быть лучше поставить тогда стеновое решение? Возможна ли дальнейшая самостоятельная установка (профиль окон будет скорее всего REHAU Sib)? У вас есть дилеры, которые занимаются такой установкой?
Спасибо!
-
- Сообщения: 135
- Зарегистрирован: 19 июн 2009, 17:12
- Откуда: Москва
- Контактная информация:
Re: Установка аэреко в 2-х комнатной квартире.
Начну с последнего.
У нас есть партнеры, кто устанавливает и оконные и стеновые приточные устройства (клапаны).
Кстати, про Rehau Sib....есть ли картинка сечения окна, которое Вы предполагаете установить?
В принципе, могу поискать производителя окон, который не боится устанавливать на свои конструкции приточные клапаны Aereco.
И дает гарантии.
Которые даже про звукоизоляцию имеют отдаленное представление.
Если Вы сами будете устанавливать всё, кроме клапанов, остановимся на этом вопросу подробнее.
Вытяжные устройства Аэрэко (т.н. вытяжные решетки) , моделей BXS, BXC, BXL контролируют удаление (расход) грязного воздуха из подсобных помещений с учетом его относительной влажности (загрязненности) и/или факта их присутствия человека с помощью датчика ИК-излучения или датчиков СО2 или VOC.
Эти модели вытяжных устройств используются только при использовании центральных вентиляторов Aereсo.
В случае, если Вы используете существующую систему вентиляции - естественную, то при установке приточных клапанов на окна или через стены, можно порекомендовать вытяжные устройства модели GHN.
Как работает система вентиляции Aereco? см. http://www.aereco.ru/ventilation-techniques/faq
Ваш выбор, какой тип приточного устройства будет установлен.big-bur писал(а): Вопрос - может быть лучше поставить тогда стеновое решение? Возможна ли дальнейшая самостоятельная установка (профиль окон будет скорее всего REHAU Sib)? У вас есть дилеры, которые занимаются такой установкой?
У нас есть партнеры, кто устанавливает и оконные и стеновые приточные устройства (клапаны).
Кстати, про Rehau Sib....есть ли картинка сечения окна, которое Вы предполагаете установить?
В принципе, могу поискать производителя окон, который не боится устанавливать на свои конструкции приточные клапаны Aereco.
И дает гарантии.
Может Вам попались не грамотные и не далекие менеджеры?big-bur писал(а): 4. Теперь риторический вопрос. Практически все оконные фирмы, в которые я обращался НЕ рекомендуют ставить какие-либо приточные решения в окнах. Предубеждение не только против вашей компании
. Мотивируют тем, что нарушается конструкция окна, ослабляется профиль, теряются звукоизоляция и тд. На мой закономерный вопрос о том, где брать свежий воздух предлагают почаще открывать окна или ставить в режим зимнего проветривания.
Которые даже про звукоизоляцию имеют отдаленное представление.

Наши партнеры, монтажные организации, решают и эту проблему.big-bur писал(а): 3. Как быть с кухней, если хочется и надплитный зонт вывести в вытяжку, и вентилятор BXC поставить, чтобы вытягивал воздух не только с зонта. Может какой-то клапан поставить или например вывести зонт сразу в вент.шахту (если так возможно)?
Если Вы сами будете устанавливать всё, кроме клапанов, остановимся на этом вопросу подробнее.
примерно, суммы всех щелей, должно хватить для работы одного клапана.big-bur писал(а): 2. Да, балкон планируется типа Проведаль. Правильно я понял, что через щели, которые будут в остекленной лоджии свежий воздух будет нормально поступать без доп. отверстий? (планирую остеклить и обшить ПВХ панелями, но без утепления и тд).
BXC - это не вентилятор.big-bur писал(а): 1. Для чего необходим центральный вентилятор? Разве установка вытяжных вентиляторов BXC на кухне, в ванной и туалете не обеспечивает нормальную вытяжку?
Вытяжные устройства Аэрэко (т.н. вытяжные решетки) , моделей BXS, BXC, BXL контролируют удаление (расход) грязного воздуха из подсобных помещений с учетом его относительной влажности (загрязненности) и/или факта их присутствия человека с помощью датчика ИК-излучения или датчиков СО2 или VOC.
Эти модели вытяжных устройств используются только при использовании центральных вентиляторов Aereсo.
В случае, если Вы используете существующую систему вентиляции - естественную, то при установке приточных клапанов на окна или через стены, можно порекомендовать вытяжные устройства модели GHN.
Как работает система вентиляции Aereco? см. http://www.aereco.ru/ventilation-techniques/faq
общаться через
skype slava_aereco
ICQ 601800163
skype slava_aereco
ICQ 601800163
Re: Установка аэреко в 2-х комнатной квартире.
Схемы профиля у меня нет. За ссылку на производителей окон буду благодаренВаш выбор, какой тип приточного устройства будет установлен.
У нас есть партнеры, кто устанавливает и оконные и стеновые приточные устройства (клапаны).
Кстати, про Rehau Sib....есть ли картинка сечения окна, которое Вы предполагаете установить?
В принципе, могу поискать производителя окон, который не боится устанавливать на свои конструкции приточные клапаны Aereco.
И дает гарантии.

Я не специалист в этой области, это по информации от 3-4 фирм, в которые я обращался.Может Вам попались не грамотные и не далекие менеджеры?
Которые даже про звукоизоляцию имеют отдаленное представление.![]()
Насчет нарушения геометрии окна и тд я не знаю. По поводу звукоизоляции мне кажется, что как-раз установка клапана и позволяет решить этот вопрос. А также избавится от сквозняков и тп. Кстати, получается можно ограничиться полу-вариантом - установить механическую вытяжку и держать окна постоянно открытыми

Да, этот вопрос актуальный. Как выводить - в вент.шахту, через центральный вентилятор V2A или еще как?Наши партнеры, монтажные организации, решают и эту проблему.big-bur писал(а): 3. Как быть с кухней, если хочется и надплитный зонт вывести в вытяжку, и вентилятор BXC поставить, чтобы вытягивал воздух не только с зонта. Может какой-то клапан поставить или например вывести зонт сразу в вент.шахту (если так возможно)?
Если Вы сами будете устанавливать всё, кроме клапанов, остановимся на этом вопросу подробнее.
С остальным - все понятно. Спасибо!

-
- Сообщения: 135
- Зарегистрирован: 19 июн 2009, 17:12
- Откуда: Москва
- Контактная информация:
Re: Установка аэреко в 2-х комнатной квартире.
А может уже созвониться?
быстрее решите вопросы...

быстрее решите вопросы...
общаться через
skype slava_aereco
ICQ 601800163
skype slava_aereco
ICQ 601800163