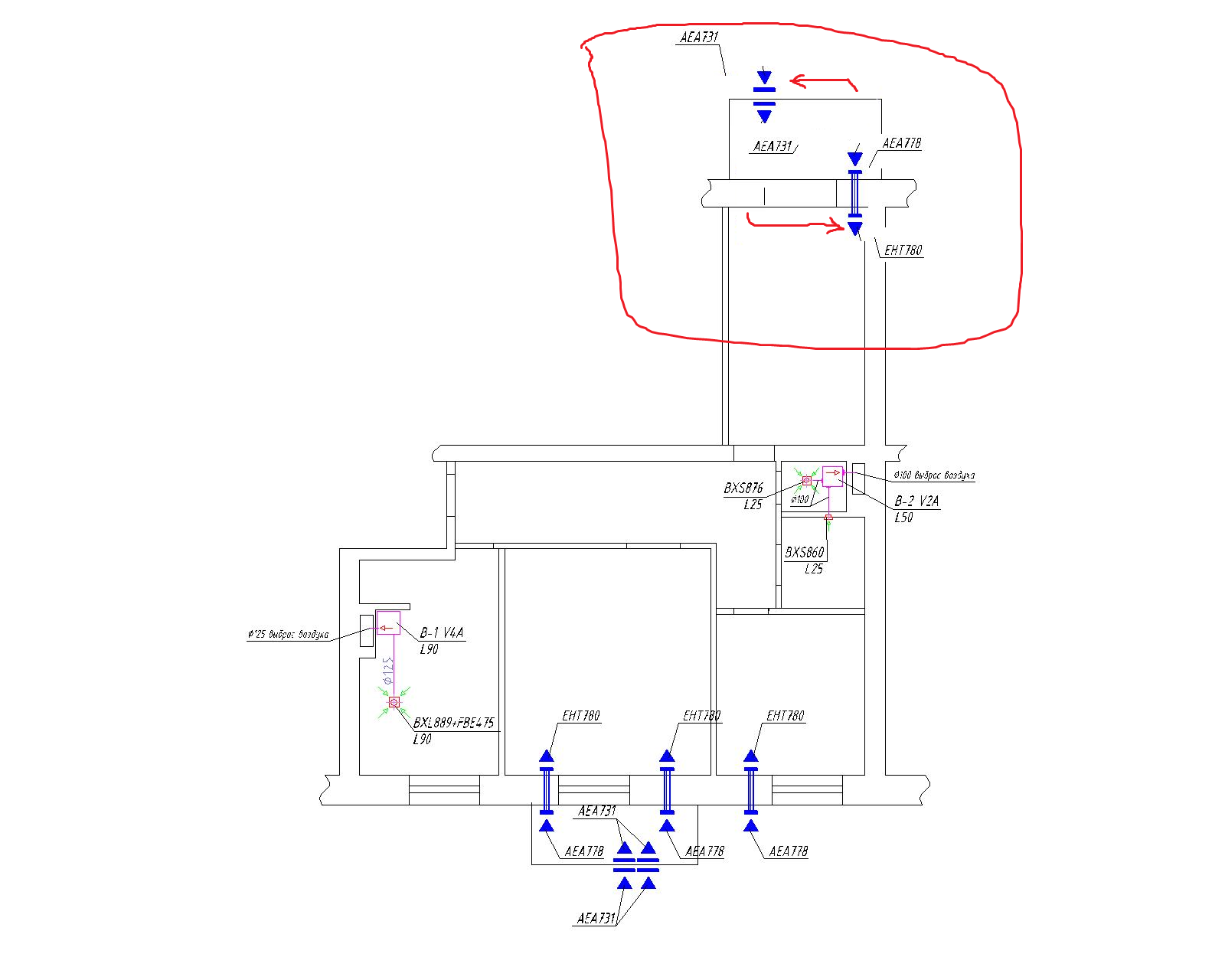
Обратные клапаны мне не подойдут. Мне нужен воздухообмен, в том числе и летом.И хочется контролируемый, особенно зимой. А не просто устранение опрокидывания.Ким Дон Ло писал(а): Опять-таки, нет ничего удивительного в том, что и при закрытых окнах может возникнуть обратка в канале. Причина всё та же - ветер и его направление. А вообще, причину такого влияния ветра на тягу, точнее на её опрокидывание, следовало бы поискать на чердаке и крыше. Возможно есть причина, устранив которую, можно будет забыть про эту проблему навсегда. Но для этого нужны фотографии вент-шахты на крыше и на чердаке (если такой имеется).
Но это, чтобы "вылечить больного". Если же цель не "вылечить", а "дать ему костыли", тогда ставьте в вент-каналы обратные клапаны. Пока тяга есть - клапаны открыты и пропускают воздух через вент-канал. Если пошла обратная тяга - клапан захлопнулся. Тяги в этот момент конечно не будет в одном из каналов, но зато и обратки тоже не будет. Но это не решение проблемы. Это попытка от неё увернуться.
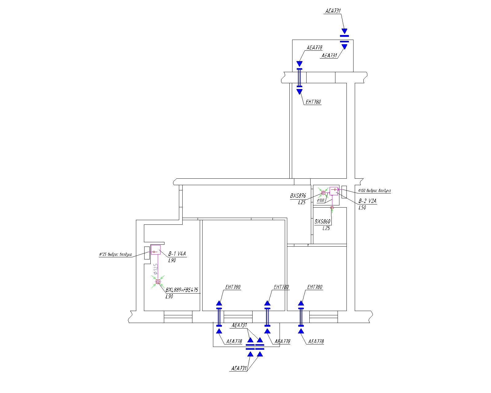
Выход на крышу закрыт, просто так туда не попасть. За ключами надо идти в ЖКХ.
В туалете. У нас никто не курит. Не удивлюсь, если у соседа есть вентилятор и он его включает.Ким Дон Ло писал(а):P. S. Кстати. А с чего Вы взяли, что запахи приходят к Вам из вентиляции?? В каком месте первым делом появляется запах??
