Вентиляция в однокомнатной квартире
Вентиляция в однокомнатной квартире
Есть одна комнатная квартира. Хочу установить в нее систему вентиляции Aereco (Приточные устройства и вытяжные устройства). Посоветуйте, пожалуйста, какое оборудование я куда лучше установить.
Пожелание:
Вентилятор хочу установить V4A, так как планирую в обозримом будущем переехать в 3 комнатную квартиру (и забрать с собой вентилятор). Думаю его установить в ванной.
Но может быть будет лучше установить отдельные вентиляторы на гигрорегулируемые решетки Aereco?
Особенности:
1. Зима у нас холодная, в среднем температура от -15 до -20. Пару недель в году бывает по -30.
2. В квартире межкомнатных дверей нету. Есть только дверь в ванную.
3. Кладовка со стороны комнаты замурована. В ней сделан шкаф купе.
4. Отопление в квартире хорошее.
5. Большая влажность в квартире,
6. Основная видимая проблема зимой - конденсат на стеклопакетах
7. Канал в ванной не забит, а канал вентиляции на кухне забит, если потребуется, то можно будет попробовать прочистить
8. Квартира у меня угловая находится на 1 этаже.
9. Над газовой плитой планирую поставить вытяжку с фильтрами.
Пожелание:
Вентилятор хочу установить V4A, так как планирую в обозримом будущем переехать в 3 комнатную квартиру (и забрать с собой вентилятор). Думаю его установить в ванной.
Но может быть будет лучше установить отдельные вентиляторы на гигрорегулируемые решетки Aereco?
Особенности:
1. Зима у нас холодная, в среднем температура от -15 до -20. Пару недель в году бывает по -30.
2. В квартире межкомнатных дверей нету. Есть только дверь в ванную.
3. Кладовка со стороны комнаты замурована. В ней сделан шкаф купе.
4. Отопление в квартире хорошее.
5. Большая влажность в квартире,
6. Основная видимая проблема зимой - конденсат на стеклопакетах
7. Канал в ванной не забит, а канал вентиляции на кухне забит, если потребуется, то можно будет попробовать прочистить
8. Квартира у меня угловая находится на 1 этаже.
9. Над газовой плитой планирую поставить вытяжку с фильтрами.
- Вложения
-
- План
- Изображение.jpg (17.89 КБ) 191780 просмотров
-
Dr.Mechnikov
- Сообщения: 135
- Зарегистрирован: 19 июн 2009, 17:12
- Откуда: Москва
- Контактная информация:
Re: Вентиляция в однокомнатной квартире
Добрый день!
Чтобы сделать для Вас техническое решение, позвольте задать несколько дополнительных вопросов:
-кол-во проживающих,
-
-укажите на схеме месторасположение вентканала в санузле,
-желательно какой этаж из скольки.
Заранее спасибо.
Чтобы сделать для Вас техническое решение, позвольте задать несколько дополнительных вопросов:
-кол-во проживающих,
-
- т.е. это будет просто вытяжка, работающая в режиме рециркуляции?bkk86 писал(а):Над газовой плитой планирую поставить вытяжку с фильтрами.
-укажите на схеме месторасположение вентканала в санузле,
-желательно какой этаж из скольки.
Заранее спасибо.
общаться через
skype slava_aereco
ICQ 601800163
skype slava_aereco
ICQ 601800163
Re: Вентиляция в однокомнатной квартире
Сейчас проживает два взрослых + в скором времени появится ребенок-кол-во проживающих,
Дат.е. это будет просто вытяжка, работающая в режиме рециркуляции?
Он находится на стене, над ванной, со стороны унитаза-укажите на схеме месторасположение вентканала в санузле,
Этаж 1, всего 5 этажей-желательно какой этаж из скольки.
-
Dr.Mechnikov
- Сообщения: 135
- Зарегистрирован: 19 июн 2009, 17:12
- Откуда: Москва
- Контактная информация:
Re: Вентиляция в однокомнатной квартире
ок.
Тех отдел принял в работу Ваш проект
Тех отдел принял в работу Ваш проект
общаться через
skype slava_aereco
ICQ 601800163
skype slava_aereco
ICQ 601800163
-
Dr.Mechnikov
- Сообщения: 135
- Зарегистрирован: 19 июн 2009, 17:12
- Откуда: Москва
- Контактная информация:
Re: Вентиляция в однокомнатной квартире
Добрый день!
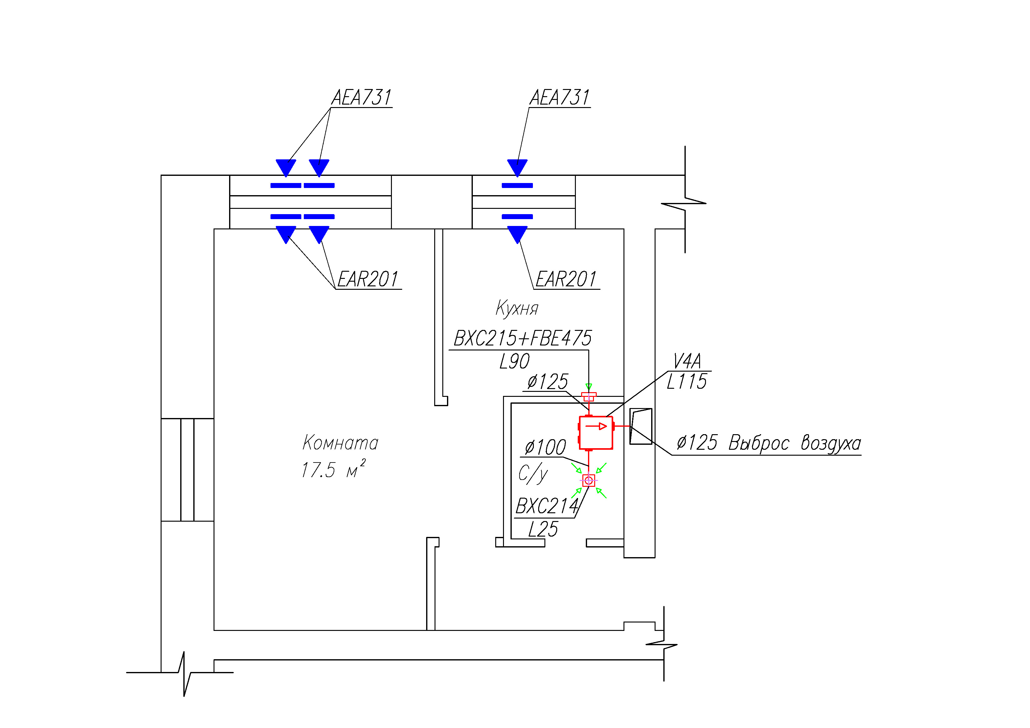
Во вложении стандартное решение - схема размещения оборудования Aereco. Спецификация оборудования:
1. Приточное устройство EHA2, гигрорегулируемый расход воздуха 5-35м³/ч, для оконных конструкций, переключатель режимов работы, цвет по RAL 9003 (белый) - EAR201 - 3шт.
2. Стандартный козырек ASAM с решеткой против насекомых для EMM, EHA и EHA2, цвет по RAL 9003 (белый) - AEA 731 - 3шт.
3. Вытяжное устройство BXC hi, гигрорегулируемый расход воздуха 12-80/130м³/ч, пиковый расход от выключателя, соединение Ø125мм, 2x1.5V AAA/LR03 - BXC 215 - 1шт.
4. Вытяжное устройство BXC hpd, гигрорегулируемый расход воздуха 12-80/130м³/ч, пиковый расход от датчика присутствия, задержка включения 60сек, соединение Ø100мм, 2x1.5V AAA/LR03 - BXC 214 - 1шт.
5. Жироулавливающий фильтр из алюминия для вытяжных устройств BXL/BXS/BXC - FBE 475 - 1шт.
6. Центральный вентилятор V4A premium для квартир или индивидуальных домов, обслуживание до 4-х помещений, расход воздуха 210м³/ч, макс. давление 118Па, мощность 12.5-22Вт, 230V - V4A 336 - 1шт.
Дополнительно, в зависимости от геометр. характеристик применяемых воздуховодов необходимо приобрести адаптеры (AVE055 или AVE056).
Будут вопросы - задавайте.
Во вложении стандартное решение - схема размещения оборудования Aereco. Спецификация оборудования:
1. Приточное устройство EHA2, гигрорегулируемый расход воздуха 5-35м³/ч, для оконных конструкций, переключатель режимов работы, цвет по RAL 9003 (белый) - EAR201 - 3шт.
2. Стандартный козырек ASAM с решеткой против насекомых для EMM, EHA и EHA2, цвет по RAL 9003 (белый) - AEA 731 - 3шт.
3. Вытяжное устройство BXC hi, гигрорегулируемый расход воздуха 12-80/130м³/ч, пиковый расход от выключателя, соединение Ø125мм, 2x1.5V AAA/LR03 - BXC 215 - 1шт.
4. Вытяжное устройство BXC hpd, гигрорегулируемый расход воздуха 12-80/130м³/ч, пиковый расход от датчика присутствия, задержка включения 60сек, соединение Ø100мм, 2x1.5V AAA/LR03 - BXC 214 - 1шт.
5. Жироулавливающий фильтр из алюминия для вытяжных устройств BXL/BXS/BXC - FBE 475 - 1шт.
6. Центральный вентилятор V4A premium для квартир или индивидуальных домов, обслуживание до 4-х помещений, расход воздуха 210м³/ч, макс. давление 118Па, мощность 12.5-22Вт, 230V - V4A 336 - 1шт.
Дополнительно, в зависимости от геометр. характеристик применяемых воздуховодов необходимо приобрести адаптеры (AVE055 или AVE056).
Будут вопросы - задавайте.
общаться через
skype slava_aereco
ICQ 601800163
skype slava_aereco
ICQ 601800163
Re: Вентиляция в однокомнатной квартире
Решил в ближайшее время установить вентиляцию.
Возникло пару вопросов:
1. Вы рекомендовали поставить стандартный козырек ASAM. Я хочу улучшить звукоизоляцию, стоит ли ставить козырек A-EHA?
2. В комнате на одно окно мне надо установить два приточных устройства EHA2. Возможно ли это сделать на моем окне? Фото окна прилагаю.
Возникло пару вопросов:
1. Вы рекомендовали поставить стандартный козырек ASAM. Я хочу улучшить звукоизоляцию, стоит ли ставить козырек A-EHA?
2. В комнате на одно окно мне надо установить два приточных устройства EHA2. Возможно ли это сделать на моем окне? Фото окна прилагаю.
- Вложения
-
- Окно
- Окно.JPG (103.34 КБ) 191058 просмотров
-
Dr.Mechnikov
- Сообщения: 135
- Зарегистрирован: 19 июн 2009, 17:12
- Откуда: Москва
- Контактная информация:
Re: Вентиляция в однокомнатной квартире
Добрый день!
1. Наружный козырек можно установить любой в зависимости от...см. вложение(1- габариты для наружных козырьков).
Плюс порекомендовал бы (для самоуспокоения) добавить акустическую проставку для EHA-2.
2. Сомневаюсь, не хватит ширины створки.
1. Наружный козырек можно установить любой в зависимости от...см. вложение(1- габариты для наружных козырьков).
Плюс порекомендовал бы (для самоуспокоения) добавить акустическую проставку для EHA-2.
2. Сомневаюсь, не хватит ширины створки.
общаться через
skype slava_aereco
ICQ 601800163
skype slava_aereco
ICQ 601800163
Re: Вентиляция в однокомнатной квартире
На данном окне приточную систему можно установить только на створку открывающегося окна?
Получается что по проекту надо установить два EXA2, а получается установить только одно. Какие есть варианты для осуществления проекта?
Получается что по проекту надо установить два EXA2, а получается установить только одно. Какие есть варианты для осуществления проекта?
-
Dr.Mechnikov
- Сообщения: 135
- Зарегистрирован: 19 июн 2009, 17:12
- Откуда: Москва
- Контактная информация:
Re: Вентиляция в однокомнатной квартире
Да, судя по предоставленным фото.bkk86 писал(а):На данном окне приточную систему можно установить только на створку открывающегося окна?
вместо второго оконного приточного устройства, которое технически установить невозможно, можно установить стеновое приточное устройство, аналогичное по характеристикам.bkk86 писал(а):Получается что по проекту надо установить два EXA2, а получается установить только одно. Какие есть варианты для осуществления проекта?
общаться через
skype slava_aereco
ICQ 601800163
skype slava_aereco
ICQ 601800163
Re: Вентиляция в однокомнатной квартире
Можно поставить EHT969, он подойдет под мои цели?вместо второго оконного приточного устройства, которое технически установить невозможно, можно установить стеновое приточное устройство, аналогичное по характеристикам.
EHT969 над кроватью ставить не рекомендуется?
